Обратный звонок
Заполните все поля*
Отправить
Спасибо, мы Вам перезвоним!
Товары в корзине
Мин. заказ 100 BYN
Каталог Меню

Круги шлифовальные

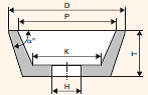
Шлифовальный круг состоит из зёрен определённой фракции, скреплённых между собой специальной вяжущей смесью.

Как выбрать и купить шлифовальный круг?

Для выбора и покупки шлифовального круга необходимо учесть следующие характеристики: Главными критериями выбора шлифовальных кругов являются параметры обрабатываемого материала и сфера его применения, например, станок или ручной инструмент. Необходимо уделить внимание и качеству обработки, определяемому зернистостью круга. Скорость снятия поверхностного слоя материала тем выше, чем крупнее размер зерна, но качество поверхности ниже. Поэтому для тонкой шлифовки используются круги с мелким зерном. Шлифовальный круг должен соответствовать материалу, для которого он предназначен. Также необходимо учесть допустимую скорость вращения.

Всего страниц: 5
Яндекс.Метрика
Корзина товаров
  • Всего: